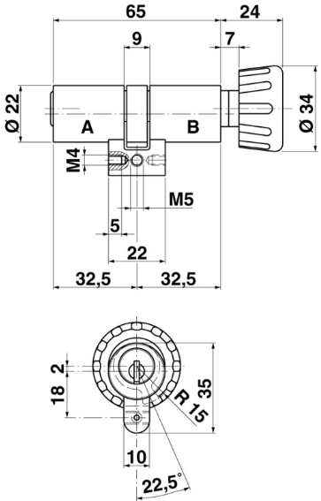
KABA 8 Drehknopfzylinder Typ M1519 42.5/32.5, mit 3 Schlüssel
Kaba 8, Lagerprodukt

Artikel-Nr:2015712
dormakaba

Beschreibung


Drehknopfzylinder KABA 8 Typ M1519

Messing vernickelt matt, mit Stulpschraube M 5x75 mm
mit 3 Schlüsseln

Spezifikationen

Gewicht
0.5 kg / STK

Zuletzt besuchte Artikel

Um Ihnen in unserem eShop den bestmöglichen Service zu gewährleisten verwenden wir Cookies. Erfahren Sie mehr über die Cookie-Nutzung