KABA Star Halbzylinder Typ M1514 32.5/43.5, mit 5 Schlüsseln
Kaba Star, Lagerprodukt

Artikel-Nr:4060669
dormakaba

Beschreibung


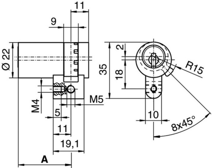
Halbzylinder KABA Star Typ M1514

Messing vernickelt matt, Mitnehmer umstellbar, mit Stulpschraube M 5x75 mm

mit 5 Schlüsseln

Zuletzt besuchte Artikel

Um Ihnen in unserem eShop den bestmöglichen Service zu gewährleisten verwenden wir Cookies. Erfahren Sie mehr über die Cookie-Nutzung